新闻
新闻

公司要闻


膜分离技术助力绿色工厂!

点击量:4830发表时间:2021-09-07 08:56:05



      地理位置

2_副本.png

   

     欧励友工程炭(青岛)有限公司,位于青岛胶州市福州北路,系世界著名炭黑制造企业、特种炭黑领域全球最大的供应商欧励隆(ORION)集团在华全资子公司。采用德国先进设备及工艺技术生产炭黑,产品处于国际领先地位。


01 新建RO膜反渗透系统项目


     欧励友工程炭(青岛)有限公司原采用传统阴阳床处理工艺,当地自来水盐含量及碱度高,阴阳树脂酸碱消耗大,再生用水量大,产水水质稳定性略差。为保证生产工艺用水要求,采用RO膜处理工艺并增加浓水回用单元替代传统树脂工艺。


      反渗透亦称逆渗透(RO),是用一定的压力使溶液中的溶剂通过反渗透膜(或称半透膜)分离出来。因为它和自然渗透的方向相反,故称反渗透。根据各种物料的不同渗透压,就可以使大于渗透压的反渗透法达到分离、提取、纯化和浓缩的目的。


56888d7dfc94ea310a02ad9055c4db9.png

5f6493084d7054f810cc5a41a313464.png

      亚星正网官网环保在建设过程中对新建的RO膜系统和浓水回收RO膜系统模块化设计,占地小,自动化控制程度高,实现无人值守,大大减少了原阴阳床酸碱消耗量大,运行管理复杂的状况。且产水水质稳定,总水回收率达到80%以上,日常运行成本不到原系统的50%。


1_副本.jpg


3_副本_副本.jpg


副本_副本.jpg


 欧励友工程炭(青岛)有限公司

 新建RO膜系统项目技术要求

       新建二级RO膜产水系统产水能力为1000m3/d;RO膜系统总收率≥80%,脱盐率≥99.5%;产水电导率≦5us/cm;


      项目周期从2020410日至2020610日,亚星正网官网环保完成新建RO系统的供货、安装、调试及培训等工作,达到合同及技术协议要求,并在同年9月交付业主验收使用。


02 新建EDI电脱盐系统项目


      2020年11月,欧励友工程炭(青岛)有限公司12MW汽轮机组利用生产尾气的余热发电并网发电项目上马,余热发电并网发电项目不增加任何的燃料消耗,是完全的绿色能源,相当于每年减少煤炭的消耗量1.5万吨,减少温室气体的排放近4万吨。大大提升了发电和能源回收效率以及安全运行水平,每年预计可多回收能源7500万千瓦时。亚星正网官网公司对山东欧励友余热回收机发电项目配套化水设施进行改建提升,在1000m3/d二级RO膜纯水系统基础上新增了EDI电脱盐装置,替代原有混床系统,为电厂提供稳定且优质锅炉补给水,提升企业“清洁生产、绿色环保”的先进理念。设计产水量50m3/h,产水电导率≤0.2μS/cm,设备建成后大大节省了混床再生时的酸碱药剂量,且不存在停机再生,实现连续电脱盐,并在系统自动化预留DCS系统接口,提升管理水平。


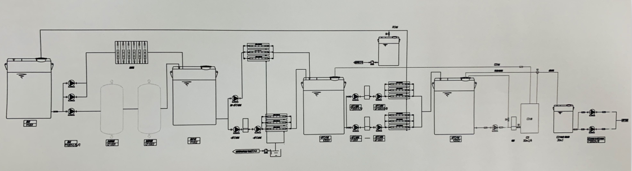
EDI水处理流程图 ↓

1630980263(1).jpg


EDI单组模块参数 

5_副本.jpg



      EDI(Electrodeionization,连续电解除盐技术),是一种将离子交换技术、离子交换膜技术和离子电迁移技术相结合的纯水制造技术。它巧妙的将电渗析和离子交换技术相结合,利用两端电极高压使水中带电离子移动,并配合离子交换树脂及选择性树脂膜以加速离子移动去除,从而达到水纯化的目的。


6_副本.png


      EDI模块车间预制,现场就位后迅速投入运行。EDI整体集成装置,包含10个EDI膜堆、固定支架以及进水,淡水、浓水、CIP清洗管路,布置紧凑美观,便于操作。

9_副本.jpg

EDI三维设计及设备实景图 


      项目周期从2021年2月18日至2021年4月30日,亚星正网官网环保完成欧励友项目供货成套EDI设备及调试、培训等工作,并在今年6月交付验收。


8_副本.jpg

      

      “创新、合作、履行、共赢”!亚星正网官网将全球创新水处理技术与客户绿色生产需求有效结合,为绿色工厂保驾护航。




上海亚星正网官网环保科技有限公司
上海亚星正网官网环保科技有限公司

 微信公众号

联系我们

CONTACT US

 

联系电话:021-22819910

联系传真:021-22819636

公司地址:上海市松江民强路1525号66栋